Регулятор напряжения интегральный 9762.3702 - технические характеристики, схема включения

Спецпредложения  
Автомобили стран СНГ  
Иномарки            Каталоги  
Другое оборудование   Автозапчасти по узлам  
Интернет магазин ДекортГлавная» Полное описание электроники для автомобиля ВТН » Регулятор напряжения интегральный 9762.3702

Регулятор напряжения интегральный 9762.3702
  • Модель Электроника для автомобиля ВТН - Регулятор напряжения интегральный - технические характеристики, схема включения
  • 1999 г. Регулятор нового поколения.
    Благодаря применению мощного современного полевого транзистора в качестве выходного ключа достигнуты высочайшие параметры токоскоростной характеристики, резко понижена мощность рассеяния и увеличена надежность.

  • Предназначение
  • Предназначен для поддержания напряжения бортовой сети автомобиля в заданных пределах во всех режимах работы системы электрооборудования при изменении частоты вращения ротора генератора, электрической нагрузки, t° окружающей среды.

  • Исполнение
  • Единое климатическое исполнение 02.1 по ГОСТ 15150 для внутреннего рынка и на экспорт

    • Степень защиты от проникновения посторонних тел и воды
     - Соответствуют исполнению 1Р68 по ГОСТ 14254. От проникновения влаги защищены специальным высокотеплопроводным компаундом с рабочей t° до 200 °С.

     - Работоспособность и соответствие параметров сохраняется даже при погружении регуляторов в воду при условии защиты разъемных соединений.

     - Все электроконтактные соединительные элементы регулятора изготовлены из латунного проката с гальваническим покрытием, что гарантирует отсутствие коррозии, и, соответственно, надежные электрические соединения в течение длительного срока службы.

  • Рабочий режим
  • S1 по ГОСТ 3940.
  • Установка
  • Непосредственно на генераторе, где предусмотрена установка регуляторов 9762.3702 при помощи штатных винтов.

  • Применяемость
  • Автомобили с генератором 976.3701.

  • Гарантия
  • 24 месяца

    Регулятор напряжения интегральный 9762.3702


    Технические характеристики регулятора напряжения интегрального 9762.3702

  • Диапазон рабочих температур," С
  • -40 .. +100
  • Номинальное напряжение, В
  • 28,0
  • Напряжение регулирования с АБ при температуре 25 ± 2 °С и нагрузке 3 А, В
  • 28,0 ± 0,3
  • Максимальный ток выходной цепи, А
  • 5,0
  • Термокомпенсация Uрег, мВ/°С
  • -6,0 ± 3,0
  • Остаточное напряжение на выходе "DF", В, не более
  • 0,45
         - типовое, В
    0,27
  • Максимально допустимое длительное воздействие повышенного напряжения питания, В
  • 36,0
  • Максимально допустимое воздействие повышенного напряжения питания длительностью до 5 мин., В
  • 50,0
  • Максимально допустимые импульсные перенапряжения в зависимости от формы импульса по ГОСТ 28751, В
  • 200,0

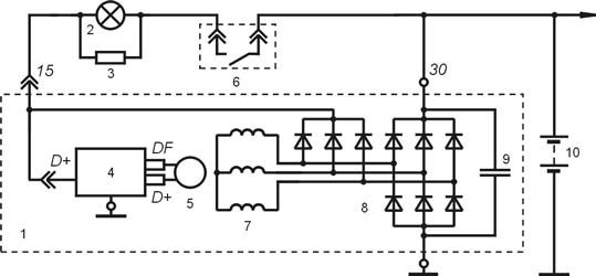
    Схема включения регулятора 9762.3702 в составе генераторной установки

    Схема включения регулятора 9762.3702 в составе генераторной установки

    1 - генератор;
    2 - контрольная лампа;
    3 - регулятор напряжения;
    4 - обмотка возбуждения;
    5 - контакты замка зажигания;
    6 - обмотка статора;
    7 - выпрямительный блок;
    8 - конденсатор;
    9 - аккумуляторная батарея


    Интернет магазин ДекортГлавная» Полное описание электроники для автомобиля ВТН » Регулятор напряжения интегральный 9762.3702
    htuekznjh, fdnj, bynthytn vfufpby, dny
    Посетителей на сайте: 31
    Время генерации страницы: 0.002 сек
    Rambler's Top100 Рейтинг@Mail.ru autodealer.ru - Рейтинг АвтоРесурсов