Регулятор напряжения интегральный 9402.3702 - технические характеристики, схема включени

Спецпредложения  
Автомобили стран СНГ  
Иномарки            Каталоги  
Другое оборудование   Автозапчасти по узлам  
Интернет магазин ДекортГлавная» Полное описание электроники для автомобиля ВТН »Регулятор напряжения интегральный 9402.3702

Регулятор напряжения интегральный 9402.3702
  • Модель Электроника для автомобиля ВТН - Регулятор напряжения интегральный - технические характеристики, схема включения
  • 2000 г., модификация 2002 г. Регулятор нового поколения.
    Благодаря применению мощного современного полевого транзистора в качестве выходного ключа достигнуты высочайшие параметры токоскоростной характеристики, резко понижена мощность рассеяния и увеличена надежность.

  • Предназначение
  • Поддержание напряжения бортовой сети автомобиля в заданных пределах во всех режимах работы системы электрооборудования при изменении частоты вращения ротора генератора, электрической нагрузки, t° окружающей среды.

  • Исполнение
  • единое климатическое исполнение 02.1 по ГОСТ 15150 для внутреннего рынка и на экспорт

    • Степень защиты от проникновения посторонних тел и воды
     - Соответствуют исполнению 1Р68 по ГОСТ 14254. От проникновения влаги защищены специальным высокотеплопроводным компаундом с рабочей t° до 200 °С.

     - Работоспособность и соответствие параметров изделия сохраняются даже при погружении регулятора в воду при условии защиты разъемных соединений.

     - Все электроконтактные соединительные элементы регулятора изготовлены из латунного проката с гальваническим покрытием, что гарантирует отсутствие коррозии, надежные электрические соединения в течение длительного срока службы.

  • Рабочий режим
  • S1 по ГОСТ 3940.

  • Установка
  • непосредственно на генераторе, где предусмотрена установка регуляторов 9402.3702 при помощи штатных винтов

  • Применяемость
  • автомобили ВАЗ-1111, ВАЗ-2108, ВАЗ-2109, ВАЗ-2110, ВАЗ-2111, ВАЗ-2112, ВАЗ-21213 с генератором 94.3701 или другими генераторами этого ряда (94хх.3701).

  • Гарантия
  • 24 месяца

    Регулятор напряжения интегральный 9402.3702


    Технические характеристики регулятора напряжения интегрального 9402.3702
  • Диапазон рабочих температур, °С
  • -40 .. +100
  • Номинальное напряжение питания, В
  • 14,0
  • Напряжение регулирования с АБ при температуре 25 ± 2 °С и нагрузке 3 А, В
  • 14,0 ± 0,15
  • Максимальный ток выходной цепи, А
  • 5,0
          - по согласованию с производителем, А
    6,0
  • Термокомпенсация Uрег, мВ/°С
  • -3,0 ± 1,5
  • Остаточное напряжение на выходе "DF", В, не более
  • 0,25
          - типовое, В
    0,18
  • Максимально допустимое длительное воздействие повышенного напряжения питания, В
  • 18,0
  • Максимально допустимое воздействие повышенного напряжения питания длительностью до 5 мин., В
  • 25,0
  • Максимально допустимые импульсные перенапряжения в зависимости от формы импульса по ГОСТ 28751, В
  • 200,0

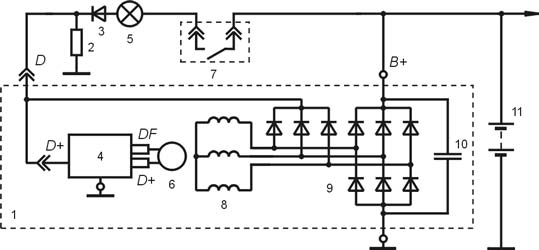
    Схема включения регулятора 9402.3702 в составе генераторной установки

    Схема включения регулятора 9402.3702 в составе генераторной установки

    1 - генератор;
    2 - контрольная лампа;
    3 - регулятор напряжения;
    4 - обмотка возбуждения;
    5 - контакты замка зажигания;
    6 - обмотка статора;
    7 - выпрямительный блок;
    8 - конденсатор;
    9 - аккумуляторная батарея


    Интернет магазин ДекортГлавная» Полное описание электроники для автомобиля ВТН »Регулятор напряжения интегральный 9402.3702
    htuekznjh, fdnj, bynthytn vfufpby, dny
    Посетителей на сайте: 29
    Время генерации страницы: 0.002 сек
    Rambler's Top100 Рейтинг@Mail.ru autodealer.ru - Рейтинг АвтоРесурсов