Регулятор напряжения интегральный 1702.3702-01 - технические характеристики, схема включени

Спецпредложения  
Автомобили стран СНГ  
Иномарки            Каталоги  
Другое оборудование   Автозапчасти по узлам  
Интернет магазин ДекортГлавная » Полное описание электроники для автомобиля ВТН » Регулятор напряжения интегральный 1702.3702-01

Регулятор напряжения интегральный 1702.3702-01
  • Модель Электроника для автомобиля ВТН  - Регулятор напряжения интегральный - технические характеристики, схема включения
  • 1997 г., модификация 2002 г. Регулятор наивысшего класса.
    В качестве выходного ключа применен мощный современный полевой транзистор, резко понижена мощность рассеяния, увеличена надежность.
    Благодаря использованию дополнительного провода, напряжение на генераторе поддерживается непосредственно на выходной клемме генератора.
    При этом достигнуты высочайшие параметры токоскоростной и нагрузочной характеристики, что продливает срок службы аккумуляторной батареи, обеспечивает всем потребителям электроэнергии соответствующие режимы, повышая надежность всего электрооборудования автомобиля.

  • Предназначение
  • Поддержание напряжения бортовой сети автомобиля в заданных пределах во всех режимах работы системы электрооборудования при изменении частоты вращения ротора генератора, электрической нагрузки, температуры окружающей среды.

  • Исполнение
  • единое климатическое исполнение 02.1 по ГОСТ 15150 (модель 1997г. - У2.1 по ГОСТ 15150) для внутреннего рынка и на экспорт

  • Степень защиты от проникновения посторонних тел и воды
  •  - Соответствуют исполнению 1Р68 по ГОСТ 14254. От проникновения влаги защищены специальным высокотеплопроводным компаундом с рабочей температурой до 200 °С.

     - Работоспособность и соответствие параметров изделия сохраняются даже при погружении регулятора в воду при условии защиты разъемных соединений.

     - Все электроконтактные соединительные элементы регулятора изготовлены из латунного проката с гальваническим покрытием, что гарантирует отсутствие коррозии, и, соответственно, надежные электрические соединения в течение длительного срока службы.

  • Рабочий режим
  • S1 по ГОСТ 3940.

  • Установка
  • Непосредственно на генераторе, где предусмотрена установка регуляторов 1702.3702-01 при помощи штатных винтов.

  • Применяемость
  • Автомобили ВАЗ-1111, ВАЗ-2108, ВАЗ-2109, ВАЗ-2110, ВАЗ-21213 с генератором 37.3701 или его модификациями.
    Регулятор напряжения 1702.3702-01 является функционально улучшенным аналогом регулятора 1702.3702.

  • Гарантия
  • 24 месяца


    Регулятор напряжения интегральный 1702.3702-01


    Технические характеристики регулятора напряжения интегрального 1702.3702-01

  • Диапазон рабочих температур, °С
  • -40 .. +100
            - для модели 1997 г., °С
    -40 .. +85
  • Номинальное напряжение питания, В
  • 14,0
  • Напряжение регулирования с АБ при температуре 25 ± 2 °С и диапазоне нагрузок от 3 А до Imax
        (согласно ТУ 13317508.001-97), В
  • 14,0 ± 0,2
  • Максимальный ток выходной цепи, А
  • 5,0
  • Термокомпенсация Uрег, мВ/°С
  • -3,0±1,5
  • Остаточное напряжение на управляющем выходе, В, не более
  • 0,25
            - типовое, В
    0,16
            - типовое для модели 1997 г., В
    0,75
  • Максимально допустимое длительное воздействие повышенного напряжения питания, В
  • 18,0
  • Максимально допустимое воздействие повышенного напряжения питания длительностью до 5 мин., В
  • 25,0
  • Максимально допустимые импульсные перенапряжения в зависимости от формы импульса по ГОСТ 28751, В
  • 200

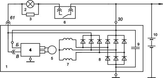
    Схема включения регулятора 1702.3702-01 в составе генераторной установки

    Схема включения регулятора 1702.3702-01 в составе генераторной установки

    1 - генератор;
    2 - контрольная лампа;
    3 - регулятор напряжения;
    4 - обмотка возбуждения;
    5 - контакты замка зажигания;
    6 - обмотка статора;
    7 - выпрямительный блок;
    8 - конденсатор;
    9 - аккумуляторная батарея


    Интернет магазин ДекортГлавная » Полное описание электроники для автомобиля ВТН » Регулятор напряжения интегральный 1702.3702-01
    htuekznjh, fdnj, bynthytn vfufpby, dny
    Посетителей на сайте: 40
    Время генерации страницы: 0.002 сек
    Rambler's Top100 Рейтинг@Mail.ru autodealer.ru - Рейтинг АвтоРесурсов