Регулятор напряжения интегральный Я120М - технические характеристики, схема включени

Спецпредложения  
Автомобили стран СНГ  
Иномарки            Каталоги  
Другое оборудование   Автозапчасти по узлам  
Интернет магазин ДекортГлавная» Полное описание электроники для автомобиля ВТН » Регулятор напряжения интегральный Я120М

Регулятор напряжения интегральный Я120М
  • Модель
Электроника для автомобиля ВТН - Регулятор напряжения интегральный - технические характеристики, схема включения
    Модель 1993 г., модификации 1995, 1998 гг.
  • Предназначение
Поддержание напряжения бортовой сети автомобиля в заданных пределах во всех режимах работы системы электрооборудования при изменении частоты вращения ротора генератора, электрической нагрузки, t° окружающей среды.

  • Исполнение
Единое климатическое исполнение У2.1 по ГОСТ 15150 для внутреннего рынка и на экспорт.
  • Степень защиты от проникновения посторонних тел и воды
 - Соответствуют исполнению 1Р68 по ГОСТ 14254.

 - От проникновения влаги защищены специальным высокотеплопроводным компаундом с рабочей t° до 200 °С.

 - Работоспособность и соответствие параметров изделия сохраняются даже при погружении регулятора в воду при условии защиты разъемных соединений.
  • Конструкция
Однопроводная схема питания, корпус регуляторов соединен с корпусом автомобиля.

  • Рабочий режим
S1 по ГОСТ 3940.
  • Установка
Устанавливается в щеточном узле генераторной установки, где предусмотрена установка регуляторов Я 112Б или Я 112Б1 при помощи штатных винтов.

  • Применяемость
МАЗ, КАМАЗ с генератором Г273 и др.
  • Гарантия
24 месяца

Регулятор напряжения интегральный Я120М


Технические характеристики регулятора напряжения интегрального Я120М

  • Диапазон рабочих температур, °С
  • -40...+85
  • Номинальное напряжение питания, В
  • 28,0
  • Напряжение регулирования с АБ при температуре 25 ± 2 °С и нагрузке 3 А, В
  •  
         - режим "зима"
    28,0 ± 0,3
         - режим "лето"
    27,6 ± 0,2
  • Максимальный ток выходной цепи, А
  • 5,0
  • Термокомпенсация Uрег, мВ/°С
  • -6,0 ± 3,0
  • Остаточное напряжение на выходе "Ш", В, не более
  • 1,0
         - типовое, В
    0,75
  • Максимально допустимое длительное воздействие повышенного напряжения питания, В
  • 36,0
  • Максимально допустимое воздействие повышенного напряжения питания длительностью до 5 мин., В
  • 50,0
  • Максимально допустимые импульсные перенапряжения в зависимости от формы импульса по ГОСТ 28751, В
  • 120,0

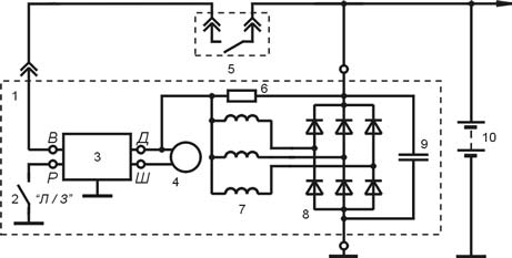
    Схема включения регулятора Я120М в составе генераторной установки

    Схема включения регулятора Я120М в составе генераторной установки

    1 - генератор
    2 - переключатель режима работы "пето/зима"
    3 - регулятор напряжения
    4 - обмотка возбуждения
    5- контакты замка зажигания
    9 - обмотка статора
    7 - выпрямительный блок
    8 - конденсатор
    9 - аккумуляторная батарея


    Интернет магазин ДекортГлавная» Полное описание электроники для автомобиля ВТН » Регулятор напряжения интегральный Я120М
    Электроника для автомобиля ВТН - Регулятор напряжения интегральный Я112В1 в авто интернет-магазине Декорт ( для невнимательных: htuekznjh, fdnj, bynthytn vfufpby, dny )
    Посетителей на сайте: 34
    Время генерации страницы: 0.002 сек
    Rambler's Top100 Рейтинг@Mail.ru autodealer.ru - Рейтинг АвтоРесурсов