Регулятор напряжения интегральный Я112В - технические характеристики, схема включени

Спецпредложения  
Автомобили стран СНГ  
Иномарки            Каталоги  
Другое оборудование   Автозапчасти по узлам  
Интернет магазин ДекортГлавная» Полное описание электроники для автомобиля ВТН » Регулятор напряжения интегральный Я112В

Регулятор напряжения интегральный Я112В
  • Модель Электроника для автомобиля ВТН - Регулятор напряжения интегральный - технические характеристики, схема включения
  • 1993 г., модификации 1995, 1998 гг.
  • Предназначение
  • Поддержание напряжения бортовой сети автомобиля в заданных пределах во всех режимах работы системы электрооборудования при изменении частоты вращения ротора генератора, электрической нагрузки, t° окружающей среды.
  • Исполнение
  • единое климатическое исполнение У2.1 по ГОСТ 15150 для внутреннего рынка и на экспорт.
  • Степень защиты от проникновения посторонних тел и воды
  •  - Соответствуют исполнению 1Р68 по ГОСТ 14254. От проникновения влаги защищены специальным высокотеплопроводным компаундом с рабочей t° до 200 °С.
     - Работоспособность и соответствие параметров изделия сохраняются даже при погружении регулятора в воду при условии защиты разъемных соединений.
  • Конструкция
  • Однопроводная схема питания, корпус регуляторов соединен с корпусом автомобиля.
  • Рабочий режим
  • S1 по ГОСТ 3940.
  • Установка
  • Устанавливается в щеточном узле генераторной установки, где предусмотрена установка регуляторов Я 112Б или Я 112Б1 при помощи штатных винтов.
  • Применяемость
  • Автомобили ВАЗ-2104, ВАЗ-2105, ВАЗ-2107, "Таврия" (до 1991 г.в.) с генератором Г222.
  • Гарантия
  • 24 месяца

    Регулятор напряжения интегральный Я112В


    Технические характеристики регулятора напряжения интегрального Я112В

  • Диапазон рабочих температур, °С
  • -40...+85
  • Номинальное напряжение питания, В
  • 14,0
  • Напряжение регулирования с АБ при температуре 25 ± 2 °С и нагрузке 3 А, В
  • 14,0 ± 0,1
  • Максимальный ток выходной цепи, А
  • 5,0
  • Термокомпенсация Uрег, мВ/°С
  • -3,0 ± 1,5
  • Остаточное напряжение на выходе "Ш", В, не более
  • 1,0
         - типовое, В
    0,75
  • Максимально допустимое длительное воздействие повышенного напряжения питания, В
  • 18,0
  • Максимально допустимое воздействие повышенного напряжения питания длительностью до 5 мин., В
  • 25,0
  • Максимально допустимые импульсные перенапряжения в зависимости от формы импульса по ГОСТ 28751, В
  • 120,0

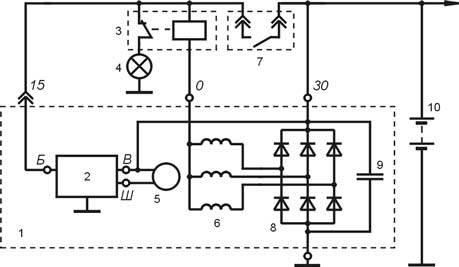
    Схема включения регулятора Я112В в составе генераторной установки

    Схема включения регулятора Я112В в составе генераторной установки

    1 - генератор;
    2 - регулятор напряжения;
    3 - реле контрольной лампы;
    4 - контрольная лампа;
    5 - обмотка возбуждения;
    6 - обмотка статора;
    7 - контакты замка зажигания;
    8 - выпрямительный блок;
    9 - конденсатор;
    10 - аккумуляторная батарея


    Интернет магазин ДекортГлавная» Полное описание электроники для автомобиля ВТН » Регулятор напряжения интегральный Я112В
    htuekznjh, fdnj, bynthytn vfufpby, dny
    Посетителей на сайте: 37
    Время генерации страницы: 0.002 сек
    Rambler's Top100 Рейтинг@Mail.ru autodealer.ru - Рейтинг АвтоРесурсов