Регулятор напряжения интегральный Я112А1

Спецпредложения  
Автомобили стран СНГ  
Иномарки            Каталоги  
Другое оборудование   Автозапчасти по узлам  
Интернет магазин ДекортГлавная » Полное описание электроники для автомобиля ВТН» Регулятор напряжения интегральный Я112А1

Регулятор напряжения интегральный Я112А1
  • Модель
  • 2002 г
  • Предназначение
  •  - Поддержание напряжения бортовой сети автомобиля в заданных пределах во всех режимах работы системы электрооборудования при изменении частоты вращения ротора генератора, электрической нагрузки, t° окружающей среды.

     - Эксплуатируется в различных широтах с большим диапазоном t° окружающей среды, в том числе и в тропических условиях. От регуляторов Я112А отличается конструктивно, а также возможностью работать при повышенной t° окружающей среды (до 100 °С).

  • Исполнение Электроника для автомобиля ВТН - Регулятор напряжения интегральный - технические характеристики, схема включения
  • Единое климатическое исполнение 02.1 по ГОСТ 15150 для внутреннего рынка и на экспорт.
  • Степень защиты от проникновения посторонних тел и воды
  •  - Cоответствуют исполнению 1Р68 по ГОСТ 14254.
     - От проникновения влаги защищены высокотеплопроводным компаундом с рабочей t° до 200 °С.
     - Работоспособность и соответствие параметров изделия сохраняются даже при погружении регулятора в воду при условии защиты разъемных соединений.
  • Конструкция
  • однопроводная схема питания, корпус регуляторов соединен с корпусом автомобиля.
  • Рабочий режим
  • S1 по ГОСТ 3940.
  • Установка
  • устанавливается в щеточном узле генераторной установки, где предусмотрена установка регуляторов Я 112А или Я 112А 1 при помощи штатных винтов.
  • Применяемость
  • Автомобили производства АЗЛК, ГАЗ, ЗИЛ, а также автомобили “Таврия” (1991 .. 1996 г.в.) с генератором 29.3701 и др
  • Гарантия
  • 24 месяца

    Регулятор напряжения интегральный Я112А1


    Технические характеристики регулятора напряжения интегральный Я112А1

  • Диапазон рабочих температур, °С
  • -40 .. +100
  • Номинальное напряжение питания, В
  • 14,0
  • Напряжение регулирования с АБ при температуре 25 ± 2 °С и нагрузке 3 А, В
  • 14,0 ± 0,1
  • Максимальный ток выходной цепи, А
  • 5,0
  • Термокомпенсация Uрег, мВ/°С
  • -3,0±1,5
  • Максимально допустимое длительное воздействие повышенного напряжения питания, В
  • 18,0
  •  Максимально допустимое воздействие повышенного напряжения питания длительностью до 5 мин., В
  • 25,0
  •  Максимально допустимые импульсные перенапряжения в зависимости от формы импульса по ГОСТ 28751, В
  • 120

    Схема включения регулятора Я112А1 в составе генераторной установки

    Схема включения регулятора Я112А1 в составе генераторной установки

    1 - генератор;
    2 - регулятор напряжения;
    3 - обмотка возбуждения;
    4 - контакты замка зажигания;
    5 - обмотка статора;
    6 - выпрямительный блок;
    7 - конденсатор;
    8 - аккумуляторная батарея


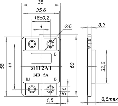
    Габаритный чертеж регулятора Я112А1

    Габаритный чертеж регулятора Я112А1

    Установка и подготовка к работе:

    Регулятор устанавливается в щеточном узле генераторной установки, где предусмотрена установка регуляторов Я112А или Я112А1 при помощи штатных винтов.


    Интернет магазин ДекортГлавная » Полное описание электроники для автомобиля ВТН» Регулятор напряжения интегральный Я112А1
    htuekznjh, fdnj, bynthytn vfufpby, dny
    Посетителей на сайте: 19
    Время генерации страницы: 0.002 сек
    Rambler's Top100 Рейтинг@Mail.ru autodealer.ru - Рейтинг АвтоРесурсов